ZQWL-GW1220YM-HBC 2路RS232/RS485/RS422串口服务器,同时具有RS485/422/232三种串口接口,可适应更多应用环境。采用A7强悍处理器,100%全国产化,百兆网口+IPv6/IPv4双栈,可无缝对接现代工业网络,满足客户的各种控标需求,支持600~2Mbps的高波特率,采用A7处理器,主频高达800Mhz,2路串口同时全速收发数据,0丢包,高稳定。可自定义轮询间隔、上报间隔以及上报格式。支持NTP授时,默认连接公网NTP授时服务器,也可配置优先的NTP服务器,如本地私有NTP服务器。

RS485/422/232 三合一
一台设备同时具有RS485/422/232三种串口接口,可适应更多应用环境

100%全国产化
采用高性能处理器,从硬件到软件100%全国产化,自主安全可控

基本功能
支持透传功能:串口与网口之间数据双向透明传输,不做任何协议的转换。

百兆网口+IPv6/IPv4双栈
无缝对接现代工业网络,满足客户的各种控标需求。

高波特率
2路串口均支持600~2Mbps的高波特率,采用A7处理器,主频高达800Mhz,2路串口同时全速收发数据,0丢包,高稳定

自定义波特率
不仅支持常规的串口波特率(如9600、115200等),而且还支持用户自定义波特率,比如1000bps、8800bps、2Mbps等,用户可随意设置。

8种网络工作模式
主流网络协议,一网打尽

串口工作模式

Modbus网关功能
支持Modbus RTU与TCP协议互转,内置智能排队机制,支持多主机同时查询从站,不冲突

Modbus主动轮询功能
启用Modbus主动轮询功能后,用户服务器只需要接收数据,不需要再下发查询指令,可极大的缓解服务器的压力。
可自定义轮询间隔、上报间隔以及上报格式。

多种配置方式
支持3种配置方式:远程配置、网页配置、上位机软件配置

支持接入多种云平台
设备支持TCP/UDPSOCKET、HTTP、MOTT等多种协议,通过简单的配置即可实现接入智嵌云、阿里云、私有云等。

注册包+心跳包
对接云平台可自定义注册包、心跳包

支持NTP授时
默认连接公网NTP授时服务器,也可配置优先的NTP服务器,如本地私有NTP服务器

宽温设计
低温工作支持-40℃,高温工作支持85℃工作环境

接口防护
工业级防护 (高等级防雷击、 防静电、 防群脉冲)
EMC 防护
IEC61000-4-5 Surge:电源:±1 kV;信号:±1kV
IEC 61000-4-2 ESD:接触 :±8KV;空气:±15KV
IEC 61000-4-2 EFT:电源:±2kV; 信号:±2 kV

接口说明

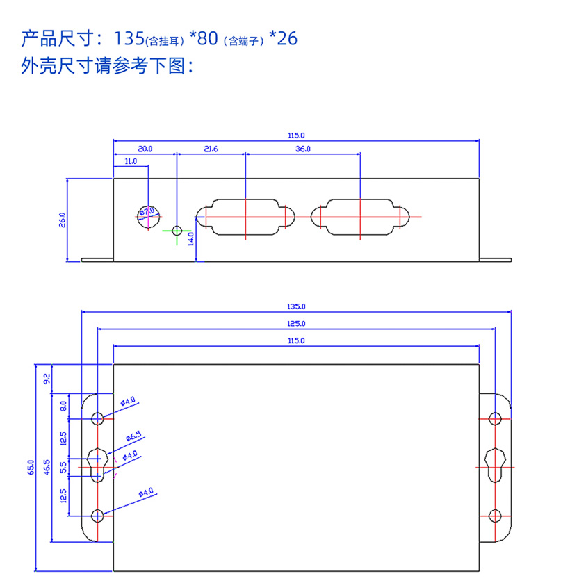
产品尺寸


产品参数
